Отображение ТКЗ на графике¶
Расчётные значения заносятся в поля:
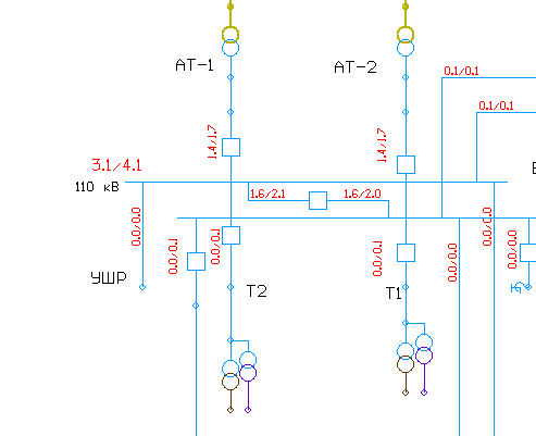
tkz_3i1fтаблицы узлы — в формате: фазный ток при трёхфазном КЗ / фазный ток при однофазном КЗ (3·I₀)tkz_3i1f_ip,tkz_3i1f_iqтаблицы ветви
Для вывода значений из полей на графику необходимо настроить параметры текста графики. Сделать это можно, используя макрос birka_toolbar.rbs:


На графике отображаются токи КЗ в выбранных узлах и токи подпитки по ветвям в формате: ток трёхфазного / однофазного КЗ.
